Nội dung chính
Hòa đồng bộ 2 máy phát điện là cách mắc máy phát song song nhằm cung cấp nguồn điện lớn khi nhu cầu về điện tăng cao và một máy phát không thể đáp ứng đủ. Phương pháp này đòi hỏi người thực hiện phải có những kỹ thuật chuyên ngành nhất định, nắm vững nguyên tắc quy trình hòa đồng bộ và hình thức sử dụng tại mỗi trạm. Để hiểu hơn về cách hòa đồng bộ 2 máy phát, hãy cùng chúng tôi tìm hiểu chi tiết qua những chia sẻ ngay sau đây nhé.

Hòa đồng bộ máy phát điện
Hòa đồng bộ 2 máy phát điện là gì?
Do nhu cầu sử dụng nguồn điện từ máy phát ngày càng tăng, người ta thường tiến hành hòa đồng bộ máy phát, để cung cấp đủ nguồn điện cho các thiết bị. Hòa đồng bộ 2 máy điện là hình thức mắc song song hai máy phát. 2 máy phát điện này sẽ cùng được nối chung vào một mạng lưới điện. Hòa đồng bộ có thể xảy ra với nhiều máy phát gọi chung là hòa đồng bộ máy phát điện.
Việc nối chung vào một mạng lưới điện này sẽ đòi hỏi nhiều yêu cầu khác nhau. Nó đòi hỏi yêu cầu cao về kỹ thuật và tính chuyên nghiệp trong việc vận hành, bảo dưỡng. Chính vì thế, người dùng phải xác định được đúng nhu cầu sử dụng điện của các thiết bị phù hợp với giải pháp máy phát điện song song.
Quá trình hòa đồng bộ làm cân bằng tốc độ quay cũng như điện áp của máy phát. Trong nguyên tắc khi tiến hành hòa đồng bộ các máy với nhau, giả sử hòa đồng bộ cho 4 máy, thì thông thường hệ thống sẽ phải có 5 máy. Máy số 5 này được đặt ở chế độ chờ, nếu 1 trong 4 máy hư hỏng thì sẵn sàng làm việc.
Khi nào nên tiến hành hòa đồng bộ máy phát điện?
Chúng ta thường tiến hành mắc các máy phát điện song song hay mắc máy phát điện song song với lưới điện khi ở trong một số trường hợp sau:
- Công suất vận hành của một máy phát nhỏ, trong khi công việc đòi hỏi nguồn điện có công suất cao hơn.
- Tiết kiệm nhiên liệu khi mà phụ tải thay đổi nhiều.
- Nhu cầu sử dụng điện tăng lên trong sản xuất. Trong khi đơn vị đã có sẵn một máy phát thì việc lắp song song thêm 1 hay nhiều máy nữa là giải pháp tốt nhất.
- Hệ thống yêu cầu tần suất hoạt động liên tục 24 giờ suốt cả tuần. Nếu không muốn công việc bị gián đoạn khi chuyển tải từ máy phát này sang máy phát khác thì nên hòa đồng bộ.
- Hệ thống sản xuất của bạn chỉ cho phép mất điện trong thời gian rất ngắn (khoảng vài giây) hoặc không được mất điện. Khi đó, nếu không có hệ thống nguồn UPS, thì việc hòa đồng bộ hệ thống máy phát điện là tối ưu nhất.

Sử dụng hệ thống điện song song sẽ tăng hiệu quả làm việc
Ưu điểm của phương pháp hòa đồng bộ máy phát điện
Việc hòa đồng bộ máy phát điện công nghiệp sẽ giúp đem lại những lợi ích sau:
- Độ tin cậy cao: khi chúng ta có N+1 máy phát điện hoạt động thay vì chỉ có 1 máy phát, việc cung cấp điện cho hệ thống sẽ được đảm bảo liên tục, không bị gián đoạn và có tính an toàn cao.
- Khả năng mở rộng: có thể dễ dàng mở rộng hay là thu hẹp quy mô của tổ máy tùy theo nhu cầu sử dụng điện nhờ vào việc thêm hoặc bớt số lượng máy phát.
- Tính linh hoạt cao: dễ điều chỉnh số lượng máy phát điện tùy theo nhu cầu phụ tải.
- Dễ bảo trì: do có nhiều máy cùng hoạt động, việc bảo trì hệ thống sẽ không gặp áp lực thời gian như việc chỉ sử dụng 1 máy.
- Tính kinh tế cao: phương pháp này cho khả năng tiết kiệm nhiên liệu cao hơn so với việc sử dụng 1 máy phát điện cùng công suất hệ thống.
Các điều kiện hòa đồng bộ 2 máy phát điện
Điều kiện tần số
Để hòa đồng bộ 2 máy phát điện, thì tần số của 2 máy này phải xấp xỉ bằng nhau, hoặc là tần số máy pháp phải bằng với tần số lưới, với sai số nằm trong khoảng cho phép. Sai số được xác định tùy vào việc điều chỉnh bộ điều tốc cùng rơle hòa điện tự động (hoặc rơle chống hòa sai).

Để hòa đồng bộ 2 máy phát điện cần đảm bảo những điều kiện nhất định
Thông thường, mức sai số (Df) sẽ được điều chỉnh >0. Có nghĩa là tần số máy phát sẽ được chỉnh cao hơn tần số của lưới điện một chút. Vì nếu để tần số máy phát thấp hơn, thì sau khi đóng máy cắt, máy phát điện sẽ bị tấn số lưới kéo cho nhanh lên, từ đó khiến công suất bị âm, và máy phát điện sẽ phải làm việc ở chế độ động cơ. Ngược lại, nếu tần số máy phát điện cao hơn, máy phát điện sẽ bị tần số điện của lưới điện ghì lại, từ đó tạo ra một công suất nhỏ ngay khi đóng máy cắt.
Xem thêm:
Điều kiện điện áp
Thông thường, điện áp máy phát điện sẽ được điều chỉnh bằng hoặc là lớn hơn một chút so với điện áp của lưới điện, để khi đóng điện máy phát điện sẽ có công suất nhỉnh hơn 0.
Chúng ta cũng có thể điều chỉnh một cách chính xác cho U máy = U lưới.
Điều kiện về pha
Điều kiện về pha là điều kiện rất quan trọng, bắt buộc người dùng phải chú ý và thực hiện chính xác. Thông thường, thứ tự của pha sẽ được kiểm tra một lần duy nhất từ trước khi lắp máy, sau này sẽ không điều chỉnh lại trừ khi tiến hành tháo lắp nhiều chi tiết trong hệ thống.
Một số biện pháp kiểm tra điều kiện để hòa đồng bộ
Đối với các điều kiện về tần số và điện áp, thì chúng ta có thể kiểm tra dễ dàng bằng những công cụ đo chuyên dụng như Vôn kế hoặc Tần số kế. Tuy nhiên với điều kiện pha, cần có những thao tác kiểm tra cẩn thận và nghiêm ngặt hơn về thứ tự pha cũng như đồng vị pha để đảm bảo hiệu quả và an toàn khi hệ thống vận hành.

Tủ hòa đồng bộ máy phát điện
Đối với đồng vị pha của máy phát điện
Khi hòa đồng bộ 2 máy phát điện, thứ tự pha là điều kiện tiên quyết phải thực hiện với độ chính xác 100%. Chỉ cần 1 pha của máy phát điện có góc lệch so với pha tương ứng = 0, là hệ thống này đã đạt điều kiện về đồng vị pha.
Trong trường hợp trên, đồng vị pha sẽ được xác định khi tốc độ quay máy phát và điện áp đã đạt đến giá trị định mức.
Do tần số của lưới và tần số máy phát luôn có sự chênh lệch nhỏ và luôn biến thiên, nên góc lệch pha cũng thay đổi liên tục. Vì thế thao tác đóng máy cắt điện để hòa đồng bộ có khá nhiều rủi ro do không xác định được đúng góc pha. Điều này dẫn tới việc dòng điện tạo ra rất lớn ở dạng sung, momen điện từ trong máy phát thay đổi đột ngột gây hư hỏng thiết bị và gây mất ổn định cho lưới điện.
Để đảm bảo đồng vị pha của máy phát khi hòa đồng bộ, bên cạnh việc đo lường một cách chính xác, thì trên mạch điều khiển của máy phát cũng cần được lắp rơle hòa đồng bộ hoặc là rơle chống hòa sai.
Đồng vị pha của hệ thống lưới
Đối với phân đoạn dùng hệ thống lưới mạch vòng, đồng vị pha được xác định sẵn từ khi thiết kế. Tuy nhiên, do một số sai lệch về tần số và điện áp, cho nên góc giữa 2 đầu máy cắt có thể đổi sang giá trị khác 0 (thường sẽ ít thay đổi trong thời gian ngắn). Trong trường hợp này, việc đóng máy cắt sẽ gây ảnh hưởng lớn đến hệ thống, ngoại trừ một vài điểm sẽ có khả năng bị quá tải.
Nhưng đối với trường hợp góc pha thay đổi liên tục, việc đóng máy cắt phải đầy đủ các điều kiện như máy phát điện, và thường sẽ khó hơn rất nhiều do tần số của một trong hai hệ không thể tác động tại chỗ mà phải liên hệ từ xa. Để đảm bảo đồng vị pha, thì trên máy cắt cũng cần được lắp rơle hòa đồng bộ hay rơle chống hòa sai.

Cách hòa đồng bộ máy phát điện
Thao tác hòa đồng bộ
Hiện nay, hầu như các máy phát điện đều có hệ thống hòa đồng bộ tự động, giúp chúng ta thực hiện công việc này dễ dàng hơn. Các thao tác hòa đồng bộ máy phát điện bằng tay mà chúng tôi sắp chia sẻ dưới đây chỉ để làm rõ các nguyên lý hòa đồng bộ của máy phát điện.
Kiểm tra thứ tự pha
Cần kiểm đảm bảo cả hai phía đều đúng thứ tự pha. Tiến hành kiểm tra thứ tự pha như sau:
- Sử dụng đồng hồ đo thứ tự pha.
- Kiểm tra chiều quay của 1 động cơ trên thanh cái khi sử dụng điện lưới. Sau đó mở điện lưới, đóng máy phát rồi kiểm tra lại thứ tự pha.
- Dùng Vôn kế kim đo rồi tiến hành so sánh điện áp khi chưa được hòa đồng bộ. Một cái dùng để đo điện áp giữa pha A của máy phát và pha A của lưới, một cái dùng để đo lần lượt giữa B máy phát - B lưới và C máy phát - C lưới. Khi máy phát chạy, các đồng hồ này sẽ đồng thời thay đổi từ 0 tới 2 lần Upha định mức. Khi đó, hai đầu của cầu dao sẽ đúng thứ tự pha với nhau.
Trong trường hợp không thay đổi đồng thời, bạn sẽ thực hiện đổi lại một đồng hồ đo A-A, đồng hồ còn lại tiến hành đo B máy - C lưới hoặc là C máy - B lưới. Nếu các đồng hồ này lên đồng thời tức là thứ tự của 2 pha đầu ngược nhau.
Sau khi hoàn tất công tác kiểm tra thứ tự kiểm tra thứ tự, chúng ta có thể đấu nối mạch mà không phải lo lắng về thứ tự pha trong quá trình sử dụng sau này.

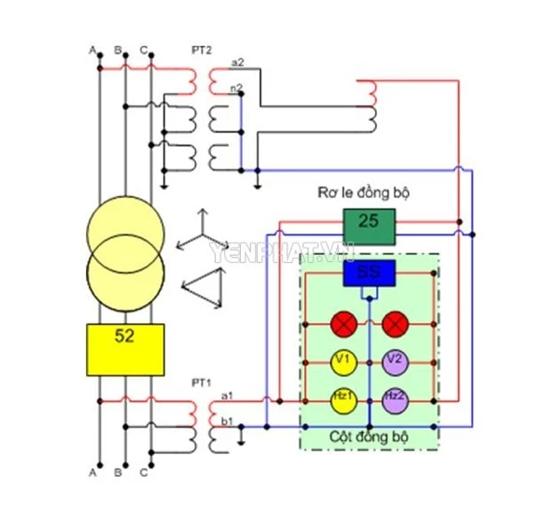
Sơ đồ hòa đồng bộ máy phát điện thông qua máy biến áp đấu nối sao
Kiểm tra điện áp
Các thao tác để kiểm tra điện áp không quá phức tạp. Chúng ta chỉ cần dùng 2 Vôn kế lắp đặt ở 2 đầu, hoặc có thể sử dụng một Vôn kế để đo giữa pha A của máy và lưới. Khi điện thế xuống mức thấp nhất, tương ứng với góc lệch pha =0. Khi đó, nếu điện thế ở 2 đầu bằng nhau, thì đồng hồ sẽ hiển thị 0V, nếu có sai biệt thì trị số khác 0.
Kiểm tra tần số
Tần số máy phát điện và tần số lưới có đồng hồ đo riêng. Tuy nhiên để biết được chính xác sự chênh lệch tần số, chúng ta không thể sử dụng đồng hồ đo đó. Bạn có thể áp dụng một trong những cách sau đây để việc kiểm tra dễ dàng và hiệu quả hơn:
- Sử dụng đồng bộ kế. Đây là một dụng cụ đo góc lệch pha giữa 2 nguồn điện. Nếu như 2 tần số bằng nhau, thì kim đồng hồ sẽ đứng yên. Ngược lại, nếu có sự chênh lệch, kim sẽ di chuyển nhanh hay chậm tùy theo độ chênh lệch tần số.
- Dựa vào đèn. Người dùng sẽ lắp đèn, và tùy vào độ sáng tắt của đèn để xác định được sự chênh lệch về tần số. Tốc độ sáng tắt của bóng đèn càng thấp, nghĩa là tần số chênh lệch càng ít. Tốt nhất bạn nên điều chỉnh sao cho độ lệch nằm trong khoảng 0,2 đến 0,1 Hz, tức là tốc độ chớp tắt của đèn rơi vào khoảng 5 đến 10 giây.
- Dựa vào hiệu ứng hoạt nghiệm. Đối với phương pháp này, chúng ta sẽ sử dụng đèn neon, đèn huỳnh quang hoặc đèn thủy ngân. Khi đèn chiếu vào một trục quay, bạn sẽ thấy trục đó quay chậm hơn hoặc dùng lại, hoặc quay ngược chiều tùy theo độ lệch của tần số lưới và tốc độ máy.
Cụ thể, nếu như độ lệch =0, thì sẽ thấy trục như đang đứng yên.
Tần số máy thấp hơn thì trông có vẻ như trục đang quay ngược chiều.
Tuy nhiên, đây là một phương pháp dựa trên kinh nghiệm, không được khuyến khích áp dụng.

Hình ảnh tổ máy phát điện cùng hoạt động song song
Kiểm tra góc lệch pha
Chúng ta có thể nhận biết góc lệch pha bằng:
- Vị trí kim của đồng bộ kế. Nếu kim ở vị trí cao nhất, thì ta có góc pha =0.
- Độ sáng của đèn: Góc pha =0 lúc đèn tắt hẳn hoặc là đèn có ánh sáng mờ nhất. Tuy nhiên đây là cách xác định góc lệch pha có độ chính xác không cao, bởi ảnh hưởng nhiệt từ dây tóc bóng đèn cũng như mắt người có khả năng phân biệt ánh sáng không tuyệt đối.
- Sử dụng Vôn kế để đo phách: khi trị số Vôn kế min là lúc góc pha =0.
Sau khi tiến hành kiểm tra tất cả những điều kiện trên, chúng ta sẽ có:
- U máy ≈ U lưới.
- Tần số máy ≈ Tần số lưới (cụ thể là cao hơn).
- Góc pha tiến dần đến 0.
Một số cách hòa đồng bộ máy phát điện
Hòa đồng bộ chính xác
Đối với phương pháp này, chúng ta sẽ phải thực hiện những công việc sau:
- Đưa trị số điện áp máy phát UF và điện áp mạng UHT.
- Điều chỉnh tốc độ quay của máy phát điện wF xấp xỉ với tốc độ góc quay wHT, trong đó wF>>wHT.
- Điều chỉnh góc pha của vecto máy phát và điện áp lưới bằng nhau trong lúc đóng máy cắt.
Trước khi đóng 2 máy phát hòa đồng bộ, máy đó phải được kích từ trước. Tới khi tốc độ quay và điện áp của 2 máy gần bằng nhau, ta chọn thời điểm thuận lợi để đóng máy. Thời điểm đó phải đảm bảo độ chênh lệch điện áp giữa các máy phát tại tổ máy gần bằng 0.

Tủ đồng bộ máy phát điện
Hòa đồng bộ tự động
Để tiến hành hòa đồng bộ tự động, người thực hiện cần phải tuân thủ những điều sau:
- Lưu ý không kích từ máy phát, chú ý đến tốc độ quay của máy.
- Khi tiến hành đồng bộ, tốc độ quay của máy phát phải xấp xỉ với tốc độ quay của tổ máy đang làm việc.
Ngay sau khi đóng máy phát, dòng kích từ sẽ được đưa vào roto, máy phát sẽ được kéo vào cùng làm việc đồng bộ với tổ máy trước.
Trên đây là những thông tin tổng hợp về hòa đồng bộ 2 máy phát điện. Phưng pháp này mang lại rất nhiều lợi ích, chúng không chỉ được sử dụng ở máy phát điện công nghiệp mà nhiều máy phát điện mini, gia đình cũng có khả năng hòa đồng bộ. Để tham khảo thêm nhiều model máy phát điện đặc biệt này, quý vị vui lòng liên hệ hotline: 0965 327 282 - 0966 631 546 để được nhân viên Yên Phát tư vấn nhanh chóng nhé.